产品中心Product
|
项目 |
DN15-DN40 |
DN50-DN200 |
|
精度 |
2级 |
2级 |
|
供电方式及使用时间 |
3.6V锂电池 |
3.6V锂电池 |
|
|
3.125 Hz – 8月 |
|
|
|
1.5265Hz – 1.5年 |
|
|
|
0.5Hz - 3 年 |
|
|
|
0.25Hz - 6年 |
|
|
|
0.125 - 10年 |
|
|
使用环境 |
环境温度 -20℃-55 ℃ |
环境温度 -20℃-55:℃ |
|
|
介质温度 4 – 60 ℃ |
介质温度 4-60℃ |
|
|
储存温度 -40 – 70 |
|
|
安装方式 |
一体 |
一体 |
|
外壳材质 |
全不锈钢 |
全不锈钢 |
|
衬里材质 |
PTFE衬里 |
陶瓷、或PTFE |
|
数据存储 |
每日存储 -- 近 6月 |
|
|
|
每周存储 -- 近3年 |
|
|
|
每月存储 -- 终身 |
|
|
压力检测 |
可选 |
可选 |
|
泄露检测 |
可选 |
可选 |
|
分析 |
有 |
有 |
|
流量点 |
DN50 |
DN65 |
DN80 |
DN100 |
DN125 |
DN150 |
DN200 |
|
Q3/Q1 |
250 |
250 |
250 |
250 |
250 |
250 |
250 |
|
Q4 |
50 |
78.75 |
125 |
200 |
312.5 |
500 |
787.5 |
|
Q3 |
40 |
63 |
100 |
160 |
250 |
400 |
630 |
|
Q2 |
0.26 |
0.40 |
0.64 |
1.02 |
1.60 |
2.52 |
4 |
|
Q1 |
0.16 |
0.25 |
0.40 |
0.64 |
1 |
1.60 |
2.52 |

|
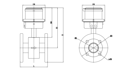
DN |
H |
H1 |
L |
D |
K |
nφd |
|
40 |
335 |
260 |
200 |
150 |
110 |
4-φ18 |
|
50 |
354 |
271 |
200 |
165 |
125 |
4-φ18 |
|
80 |
377 |
277 |
200 |
200 |
160 |
8-φ18 |
|
100 |
400 |
290 |
250 |
220 |
180 |
8-φ18 |
|
125 |
421 |
296 |
250 |
250 |
210 |
8-φ18 |
|
150 |
446 |
303 |
300 |
285 |
240 |
8-φ22 |
|
200 |
479 |
321 |
350 |
315 |
270 |
8-φ22 |
|
250 |
549 |
351 |
450 |
395 |
350 |
12-φ22 |
|
300 |
612 |
389 |
500 |
445 |
400 |
12-φ22 |
|
350 |
667 |
414 |
500 |
505 |
460 |
16-φ22 |
|
400 |
700 |
417 |
600 |
565 |
515 |
16-φ26 |