欢迎访问上海硕舟电子科技有限公司官网!
产品中心Product
雷达物位计 料位计 液位计 水位计 密度计 无线传输装置4G RTU 液位开关 料位开关 空气锤/气动振动器 声波清灰器 压力/液位测控仪表 流量计 流量开关 温度测控仪表 气体变送器 在线分析仪表 皮带输送机保护装置
4G传输无线压力变送器
4G传输无线压力变送器

 

1 概述

无线压力变送器基于4G无线通讯网络使压力测量、变送上报为一体的低功耗仪表。集成高灵敏度压力检测元件,高精度信号调理电路,低功耗电池电源管理,丰富的LCD显示界面于一体。适合油田、水利、管网、自来水管网、城市供热管网等智慧城市应用场景。周期性上报压力测量值,电池电量,信号质量等数据,并且能够当压力大于设置范围时及时报警,提前预警故障。并支持第三方平台的数据接入服务。

主要特点

● 结合自建开放式物联网监控平台监控仪表,也可为用户定制软件,平台对接
● 配套移动设备APP软件可监控仪表
● 物联网平台建立帐号,用户自行设置、修改、管理自己的设备数据。如采集频率、上报频率等仪表参数。
● 采用微处理器,电池供电,低功耗运行。
● 整机温度特性良好,工作温度范围-30~70度。
● 防爆设计:隔爆铝壳,电路板系统本质安全;
● 防护等级:IP67,全密封设计;
● 安装方向可调:通过活接或转接头接入现场管道阀门,可调节方向;
● 高增益天线,多重校验机制。
● 定制护线套,避免线缆接头断裂;
● 丰富的液晶显示界面,显示分辨率可调整,具有电量提示,动态百分比显示。

主要参数指标

Ø 被测介质:液体、气体
Ø 精度:0.2%F.S
Ø 量程:-0.1MPa~100MPa
Ø 过载压力:150% F.S
Ø 采集频率:1s
Ø 上报周期: 1min~24小时 可设定
Ø 小数位数:0~3 可设定
Ø 信号传输:4G网络通讯
Ø 发射功率:40mW
Ø 工作电流:300mA
Ø 待机电流:30uA
Ø 工作电源:3.6V 19000mAh锂电池供电(不可充电)3.7V 1000mAh可充电电池
Ø 防爆等级:Exib IIB T4 Gb
Ø 外壳防护:IP67
Ø 过程接口:客户定制
Ø 工作环境温度:-30~70
Ø 工作环境湿度:97% RH
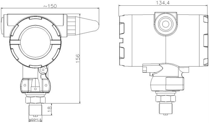
Ø 产品重量:2000g
 
4.外形参数