欢迎访问上海硕舟电子科技有限公司官网!
产品中心Product
雷达物位计 料位计 液位计 水位计 密度计 无线传输装置4G RTU 液位开关 料位开关 空气锤/气动振动器 声波清灰器 压力/液位测控仪表 流量计 流量开关 温度测控仪表 气体变送器 在线分析仪表 皮带输送机保护装置
ZigBee型无线压力变送器
ZigBee型无线压力变送器
   
    本无线压力变送器属于油水井无线监控系统的配套产品,适用于石油油水井生产、储运工艺过程的压力监测。采用微功耗无线通讯模式,不需要接线,安装为快捷、安全方便,另有配套无线转接设备,可将诸多无线压力信号转换为 MODBUS 标准信号通过以太网或串行传输,能够方便的接入测控系统,有着的应用层面。
 
一、产品特点
 
Ø 管道压力无线测试,典型应用于油田井口压力监测;
Ø防爆设计:隔爆铝壳,电路板系统本安;
Ø防护等级:IP67,全密封设计;
Ø ZigBee 通讯,可用手抄器对其配置、测试;
Ø LCD 显示:-40~70℃宽温度工作范围,可显示压力数据、电池电压、无线信道等多种信息;
Ø 安装方向可调:通过活接或转接头接入现场管道阀门,可调节方向;
Ø 38Ah 高能量锂亚电池;
Ø 高增益天线,无线传输距离达 200m 以上;
Ø 定制护线套,避免线缆接头断裂;
 
二、参数指标
 
1、被测介质:液体、气体
2、压力量程:0~60MPa 可定制
3、精度:0.5 4、过载压力:150% F.S
5、上报周期:1 ~12 小时 可设定
6 小数位数:0~3 可设定
7 信号传输:ZigBee 无线
8 发射功率:≤40mW
9 防爆等级:
10、通讯距离:≥200m
11、工作电源:3.6V 锂电池
12、外壳防护:IP66
13、过程接口:客户定制
14、工作环境温度:-40~70℃
15、工作环境湿度:≤97% RH
16、产品重量:2000g
 
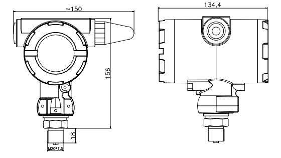
三、外型结构