|
|
|
温度 50°C=120°F 气压 6 Bar= 87 PSI |
设计与用途
FP系列气动活塞振动器能产生具有无段变频的线性振动。其频率由气压控制.为了辅助起动,在振动体内设计有一个弹簧。操作气压2巴 ( = 每平方英寸29磅 )其铝体经过硬镀处理,因此可防腐蚀。此种振动装置的单位工作重量的功率适用送料与进料的用途。它具有防暴、重量轻、体积小、安静等特性,适合多种用途。安装容易,适合在大多数的困难条件下的持续作业。 |
安装说明
需要5微米过滤装置需使用一润滑器较长的使用时间。需使用液压油ISOVG5-5St/40.C,例如:SHELLTellusoi|C5。
一般保养
FP系列振动器使用时间长,活塞或汽缸不会过度磨损。空气管路过滤装置需定期检查与清理乾净。不乾净的油会导致振动器减速或停止工作。 | |
 |
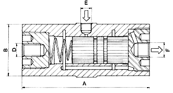
1. 阳 硬处理铝合金壳体 2. 镀铅青铜活塞 3. .起动器弹簧 4. 进气口 5. 消音排气装置 6. 阳极硬处理铝合金插座 7. 安装用螺纹座 8. 阳极硬处理铝合金底盖 9. 排气口 | |
| 性能资料 |
|
型号 |
振动数 (次/分) |
离心振动力 |
空气耗量/分 |
噪音值 |
2 Bar 29 PSI |
4 Bar 58PSI |
6 Bar 87PSI |
2 Bar = 29PSI |
4 Bar = 58PSI |
6 Bar = 87PSI |
2 Bar = 29PSI |
4 Bar = 58PSI |
6 Bar = 87PSI |
| N |
LBS |
N |
LBS |
N |
LBS |
Litr. |
CF |
Litr. |
CF |
Litr. |
CF |
dBA* |
dBA** |
| FP-18-M |
4.000 |
5.000 |
5.900 |
68 |
15 |
134 |
30 |
188 |
42 |
4 |
0.14 |
28 |
1.00 |
52 |
1.84 |
61-67 |
|
| FP-25-M |
3.000 |
3.800 |
4.200 |
142 |
32 |
364 |
82 |
504 |
113 |
23 |
0.81 |
50 |
1.76 |
87 |
3.07 |
73-75 |
62-66 |
| FP-35-M |
3.000 |
4.000 |
4.600 |
248 |
56 |
778 |
175 |
1.080 |
243 |
24 |
0.85 |
83 |
2.93 |
141 |
4.98 |
74-78 |
70-73 | | |
|
本表资料在重型实验台上取自 Kistler3 轴测力计。 当安装刚性较差时 , 频率和力值会减小。 |
* 附传统消音器 ** 附 1/ 4” 易流动消音器 | |
|
|
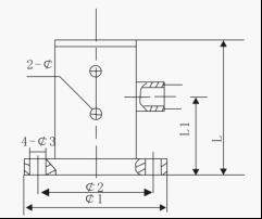
| 规格 |
*will accept NPT |
|
型号 |
A |
B |
C |
D 公制 螺纹 |
E* 公制 螺纹 |
F* 公制 螺纹 |
壳体重量 of Body |
活塞重量 of Piston |
总重量 |
|
mm |
inch |
mm |
inch |
mm |
inch |
kg |
Lbs |
kg |
Lbs |
kg |
Lbs |
| FP-18-M |
94 |
3.70 |
40 |
1.57 |
42 |
1.65 |
M10 |
1/8" |
| FP-25-M |
116 |
4.57 |
48 |
0.955 |
50 |
0.475 |
M12 |
1/8' |
| FP-35-M |
116 |
4.57 |
58 |
1.345 |
65 |
0.950 |
M12 |
1/8' | |
增强型:
|
活塞直径 |
Φ1 |
Φ2 |
Φ3 |
L |
L1 |
进气口
M |
进气口
Φ |
工作压力
MPA |
振动频率HZ |
激振力幅N |
噪音DB |
寿命次 |
|
30 |
70 |
58 |
8 |
100 |
58 |
G1-8" |
4 |
0.2--0.4 |
10--60 |
800 |
65 |
109 |
|
40 |
78 |
66 |
8 |
130 |
62 |
G1-8" |
5 |
0.2--0.4 |
10--50 |
1050 |
65 |
109 |
|
50 |
88 |
76 |
8 |
130 |
62 |
G1-8" |
5 |
0.2--0.4 |
10--40 |
1200 |
65 |
109 |
|
63 |
108 |
94 |
10 |
140 |
68 |
G1-4" |
7.8 |
0.2--0.4 |
10--30 |
1700 |
65 |
109 |
|
80 |
130 |
115 |
10 |
140 |
68 |
G1-4" |
7.8 |
0.2--0.4 |
10--25 |
2300 |
65 |
109 |
|
100 |
154 |
136 |
12 |
150 |
74 |
G1-4" |
8 |
0.2--0.4 |
10--22 |
3880 |
65 |
109 |
|
125 |
185 |
166 |
14 |
150 |
74 |
G1-4" |
8 |
0.2--0.4 |
10--20 |
10500 |
65 |
109 |
|
140 |
207 |
186 |
14 |
170 |
82 |
G1-4" |
8 |
0.2--0.4 |
10--18 |
13800 |
65 |
109 |

|
 |
|
1/4"易流动消音器/流量限制器
(限 FP 25 与 FP 35 振动器使用 ) |
| ,
1/4"易流动消音器其主要系藉流量迷宫来消音而且可解决传统过滤式消音器, 所面, 临的堵塞问题。本消音器有一流量限制器使能够选择与保持一指定的振频。
1/4"易流动消音器可以固定在振动器上或加以摇控。
流量限制器在正确调整後能低噪音50%以下。
1/4"易流动消音器系由一黑色的POM醋酸树脂加工而成。 | | |