产品中心Product
P系列活塞式振动器
一、产品简介
P活塞式振动器,又称气缸往复式振动器.也称气动激振器..其结构简单,.利用压缩空气为振动源, 需要一根气管与气源连接可使用,防尘、防爆、动作力和振动频率可调,用于化工、建筑、橡胶、石油、陶瓷、食品、制药、水泥、铸造、冶金、矿山、机械、电子、 造纸、印刷、纺织、包装输送等行业。
二、工作原理
利用空气压缩机排出的高压气体通过气管接入产品进气口,当气体推动活塞上行,活塞上气室内气体受到挤压,受挤压的气体通过排气孔排出。当活塞上行至终点时,气体通过槽和气道自动切换通气方向,使气体进入活塞上气室。高压气体推压活塞下行至终点一次循环结束,二次循环开始,依次不断的往复循环使激振动器产生平动和晃动,从而产生振动力。

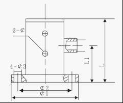
三、主要规格
|
活塞直径 |
Φ1 |
Φ2 |
Φ3 |
L |
L1 |
进气口 M |
进气口 Φ |
工作压力 MPA |
振动频率HZ |
激振力幅N |
噪音DB |
寿命次 |
|
30 |
70 |
58 |
8 |
100 |
58 |
G1-8" |
4 |
0.2--0.4 |
10--60 |
800 |
65 |
109 |
|
40 |
78 |
66 |
8 |
130 |
62 |
G1-8" |
5 |
0.2--0.4 |
10--50 |
1050 |
65 |
109 |
|
50 |
88 |
76 |
8 |
130 |
62 |
G1-8" |
5 |
0.2--0.4 |
10--40 |
1200 |
65 |
109 |
|
63 |
108 |
94 |
10 |
140 |
68 |
G1-4" |
7.8 |
0.2--0.4 |
10--30 |
1700 |
65 |
109 |
|
80 |
130 |
115 |
10 |
140 |
68 |
G1-4" |
7.8 |
0.2--0.4 |
10--25 |
2300 |
65 |
109 |
|
100 |
154 |
136 |
12 |
150 |
74 |
G1-4" |
8 |
0.2--0.4 |
10--22 |
3880 |
65 |
109 |
|
125 |
185 |
166 |
14 |
150 |
74 |
G1-4" |
8 |
0.2--0.4 |
10--20 |
10500 |
65 |
109 |
|
140 |
207 |
186 |
14 |
170 |
82 |
G1-4" |
8 |
0.2--0.4 |
10--18 |
13800 |
65 |
109 |
四、产品应用
* 振动给料 * 输送 * 筛分 * 脱水 * 干燥 * 洗剔 * 落砂 * 成型 * 振捣 * 振实 *
料仓 / 料斗防堵塞 , 作为架桥破坏器、破拱助流器使用
五、注意事项
◆气动振动器对设备有破坏力,如力量过大时,请调整至合适气压,避免损坏设备。
◆面积小桶壁时,请在桶壁间加焊一加强板。
◆固定气动振动器时,用高张力螺丝配合平垫圈及弹垫圈固定。
◆气动振动器安装置高处时,应在桶槽斜斗处加装吊索。
◆供给气动振动器的气源要干净,因为污染的气源会加速活塞的磨损,造成密封失效,气动振动器无法动作。